Sex in Bassinet with Hairy Pies (72 photos)
Comments (0)
Nefedova m. "The soul of your child. Forty questions of parents about children"
Anime demons of succubi girls
Exciting film about love
MEGAFORCER Z-11ST radar detector
The transponder is blocked
Film Script Example Rosading
Bunin I.A. "dark alleys"
Sukhoi Superjet 100-95 aircraft. Scheme
Drawn girl in the bathroom
NGK 6965
Patriarch Tikhon Icon
Boeing Scheme 737-800 Salon Scheme
Futanari comics on the bus
Evangelion Misato Pivozavr
Verse I Can Jump
Pinki Fluttershy R34
Schedule of minibuses Timashevsk
Dog Pocking meme
Busty girls from social networks
Split system Haier instructions for the remote control
Massage of the legs icon
Play button without background white
Alexis Texas vagina
The child is one line
Happy birthday notes for piano
Scheme of the internal unit SPET STREE
F Taille 2
Exciting SMS for a man
Dramaturgy Trechactic structure
LDSP white snow 8685 bs
Tsu sign
Mini composition
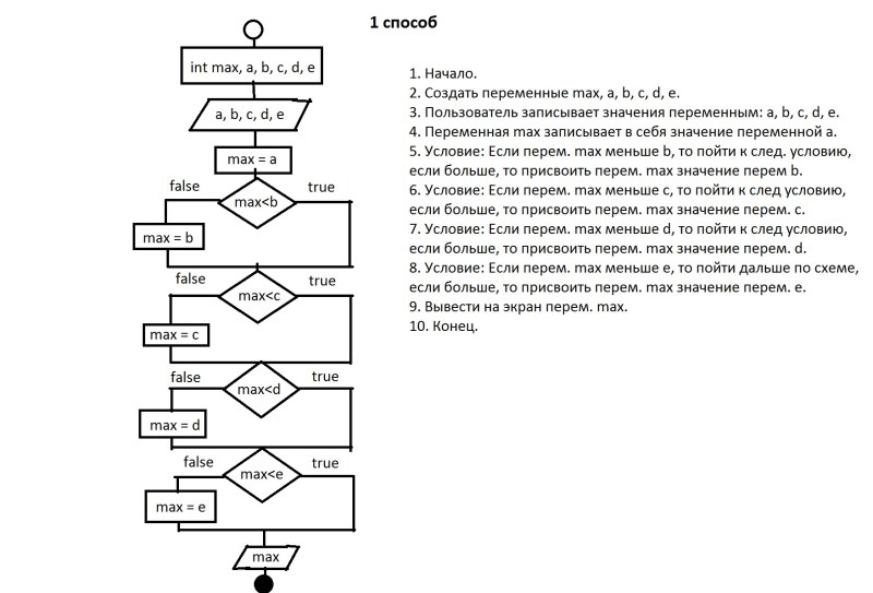
Block function C ++ function
Anime legs
Beautiful inscription I LOVE
Member joke
Anime girl with laptop
Seaman Eco Marino Smb-6351LS
Tommy Init Skin
ک د? detail 13 digiboy conی اکو کردوی opinions
Woman sits on a man
Airbus A321 Aeroflot Salon Scheme
Essay on the topic describe a photograph of a person
Write Sentences Using Therese Words English language 6th grade
Notes for the accordion
Do you Listen to Girl in Red
Child's legs for Plotter
Guitar Fingerstail Tabulature
Make an offer in a notebook
YouTube PNG logo
Boeing 777 Scheme of seats
LS888 USB SATA
Check sheet for a newborn child
Pinky Pie poopes
Jokes about Kopatych
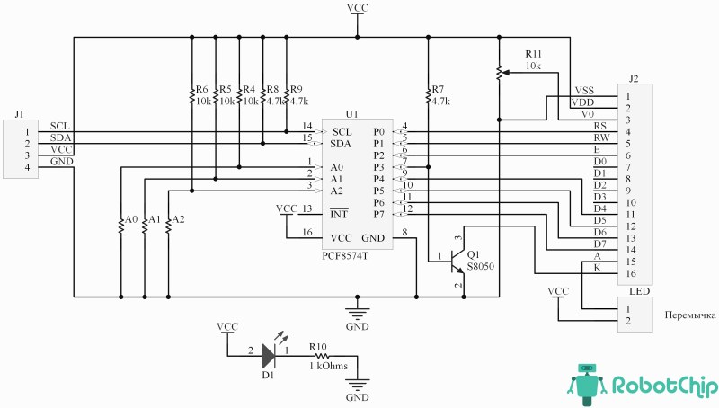
Scheme I2C Module for the display 1602
Kitten and duckling
Leader PZ19JB carburetor
World hairy map
Mongoose LS 9000d keychain
Car radio Navipilot Droid7 for Peugeot Boxer output scheme
Mlp pink Pie
A person jumps on a rope drawing
Mlp in underwear
Notes classic
Cat with loading on the head
Dakota Sky porn actress
The desktop minimalism
Officials in comedy Examiner table
Vector legs
Drawing legs
Related News:
Shoved the Remote Control Up His Cunt (75 photos)

Sex with Belly Button Piercings (78 photos)

Happy Birthday Porn (65 photos)
Beauty Salon Porn (79 photos)
You can see your Asshole Through Your Panties (64 photos)
What You Can Shove Up Your Ass and Pussy (78 photos)
And Four Men Can Fuck One Woman (78 photos)
What you can put in your pussy (77 photos)